
產品簡介:葵瓜籽振動篩型號有直徑400,直徑600,直徑800,直徑1000,直徑1200,直徑1500,直徑1800等常規型號,也可以根據客戶的需求特殊定做
咨詢報價銷售熱線:0373-268 2333

葵瓜籽也叫葵花籽是菊科草本植物向日葵的種。向日葵又名丈菊、向陽花、葵花。我國各地均有栽培。秋季將花托摘下,收集成熟的瘦果(種子),曬干。臨用時除去果殼(稱葵瓜子仁)。性能:味甘,性平。現代用以降低血脂,又能驅蟲。可供食用和油用。葵花籽富含不飽和脂肪酸,多種維生素和微量元素,加上其味道可口,因而成為一種十分受人們歡迎的休閑零食和食用油源。由于葵花籽大小不一,雜質不易清除一直是瓜子生產企業所頭疼的問題。不過,現在大漢機械已經解決了這一篩分難題,專門生產了葵瓜籽振動篩來滿足客戶的篩分要求,從而為瓜子廠家節省了不少的開支。

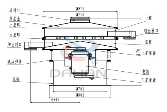
葵瓜籽振動篩由直立電機作激振源,電機上下兩端安裝有偏心重錘,將電機的旋轉運動轉變為水平、垂直、傾斜的三次元運動,再把這個運動傳遞給篩面。調節上、下兩端重錘的相位角,可以改變物料在篩面的運動軌跡。過濾豆漿的話,我們一般將振動篩上下重錘的夾角調至90度。葵瓜籽振動篩型號有直徑400,直徑600,直徑800,直徑1000,直徑1200,直徑1500,直徑1800等常規型號,也可以根據客戶的需求特殊定做。材質有不銹鋼材質,碳鋼材質,316L材質,塑料振動篩等,每個材質的價格也有所差別,不同的材質價格也不一樣,具體可以直接聯系廠家咨詢。


1、篩分精度高,效率高,粉、粒、粘液類皆可適用。
2、焊接部件無死角,易清洗消毒。
3、DH系列旋振篩采用新型網架結構,篩網使用壽命長久,換網只需3-5分鐘。
4、整機可單層、多層篩網使用。
5、體積小不占空間,移動方便,出口可以360度任意調整。
6、篩框與物料接觸部分全部采用不銹鋼制作。
